Zibo Kunpeng Anticorrosion Equipment Co., Ltd.

搪玻璃閉式反應釜的安裝
1、搬運:搬運時隻允許搪玻璃閉式反應釜的罐耳受力(指非包裝時),不允許滾動及用撬杠,避免震動、碰撞,嚴禁接管管箍、卡子等易損部件受力。
2、吊裝:吊裝搪玻璃閉式反應釜時須在規定部位(如夾套接管、罐耳等)掛網絲繩。(罐蓋上的吊環隻作吊罐蓋使用),不能與任何物體相碰,穩吊輕放。
3、組裝前檢查:組裝前,檢查人員應穿潔淨軟底膠鞋進入容器內檢查搪玻璃層有無異常現象。
4、法蘭的安裝:在擰緊法蘭螺栓時,應按沿對角線成對地逐漸擰緊、用力要均勻,不應一次完全擰緊,避免因受力不勻而造成搪玻璃層破裂而影響使用壽命。
5、卡子的安裝:應先檢查卡子是否完整,數量是否符合規定,安裝時要保證距均等,鬆緊適度確保運轉安 全及密封可靠。
6、攪拌器的安裝:a、先將搪玻璃閉式反應釜的攪拌器放入罐內(罐底鋪設軟墊),然後將罐蓋吊至預定位置,同時將密封件套入攪拌軸,再將攪拌器提升與減速機輸出軸連接,鎖緊防鬆裝置。b、調整攪拌軸與密封件的同軸度及垂直度,達到技術規定的要求後使攪拌軸緩慢轉動,當運轉靈活,無異常現象時,才準再試開啟電動機按紐,直至運轉正常(此段時間不宜過長)。
7、襯墊的選擇:須根據搪玻璃閉式反應釜的介質的類別、濃度、溫度進行選擇,襯墊本身的性質和使用方法,應適用於工藝要求,我公司目前供應的襯墊有石棉橡膠、橡膠外包聚四氟乙烯可供用戶選擇。
8、施焊:a、嚴禁在搪玻璃閉式反應釜外壁表麵施焊。b、在夾套上焊接接管、罐耳、罐座時,一律使用電焊、並采取冷卻措施,不準使用氣焊。c、在搪玻璃層臨近空間部位施焊時,應將搪玻璃表麵、罐口、管口蓋嚴,避免電焊渣飛濺,損壞搪玻璃麵。
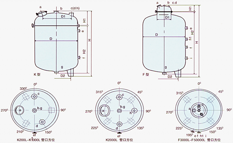
搪玻璃閉式反應釜
搪玻璃閉式反應釜參數表
contact us
淄博午夜黄视频免费看防腐午夜成人免费有限公司
138-0533-5585
聯係人:孫總
淄博市張店區南定鎮小旦村